This is the place where the majority of the warbird (aircraft that have survived military service) discussions will take place. Specialized forums may be added in the new future
Mon Sep 22, 2025 6:32 pm
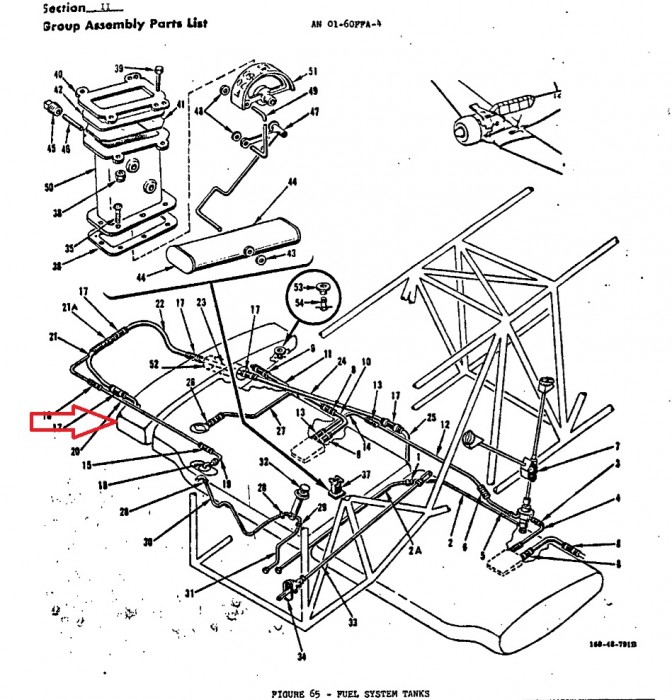
Did the T-6G model have any sort of bladder type fuel tanks? There was a T-6G crash last Saturday about 70 miles southeast of Houston and unfortunately two people died but there was no fire. Thanks.
Mon Sep 22, 2025 10:36 pm
Lucky,
I checked the AT-6G Maintenance Manual. It shows aluminum fuel tanks except for small rubber aux wing tanks that are outboard of the main tanks.
I would post some pages from the manual, but I made the mistake of updating my iPad to iPad OS 26 and the method that I had been using to post pictures from Flickr to WIX no longer works. Once I figure out how to post the pages from the manual using Flickr, I’ll do so.
For anyone that has figured out that procedure with iPad OS 26, I’d like to hear it.
Larry Kraus
Mon Sep 22, 2025 11:25 pm
The T-6G had small bladder tanks outboard of the main aluminum center section fuel tanks. All crashes do not result in a fire.
- Attachments
-

Tue Sep 23, 2025 10:59 am
Powered by phpBB © phpBB Group.
phpBB Mobile / SEO by Artodia.